
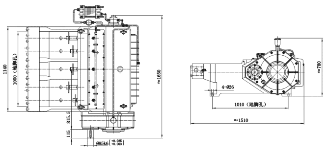
单泵重量 :2500kg 单泵外形:1510*1650*780
阀组形式 :板阀或锥阀 最高压力: 280MPa
最大流量: 300 L/min 最大功率: 550 kW
润滑油容积:40L 润滑油:15W-40、S2G150等
产品介绍:
500TJ5型高压泵采用美国技术,高压力,高流量。泵速低,运行稳定,适用于长时间连续的工作,便于维护和操作。
如果产品需求,请在下表中找到所需的压力或者流量,然后加入询价单。
动力端介绍:
原动机驱动高速轴通过一对人字齿轮将转矩传给曲轴,同时降速。曲轴通过连杆机构将旋转运动转换为往复
运动,由十字头装置带动柱塞作工,完成工况要求。
液力端介绍:
当柱塞在曲轴的带动下回程运动时泵头工作缸内腔容积逐渐增大,压力减小,形成负压,这时排液阀处于关闭状态。在压差的作用下,进液阀打开,液体进入工作缸。柱塞继续移动到回程极限位置时,洗液过程终止,工作缸内充满液体。柱塞做 进程运动时,工作腔容积逐渐减小,压力增加,使进液阀关闭,排液阀打开,液体从排出通道排出,柱塞达到终点时,工作腔的容积下限,压力大。柱塞不断地往复运动,吸排液过程就不断地交替进行,高压液体不断地从排液通道排输出。
冷却润滑系统:
齿轮油泵随高速轴转动而运行,将动力端箱内的润滑油吸出经过冷却器,将润滑油降温,然后经过滤器将润滑油过滤。过滤后的低温润滑油进入曲轴和轴瓦的润滑部位及润滑部位及其他需要润滑的部位,多余的
润滑油经过单向背压阀回动力端体内。
外形及安装尺寸:

